欢迎,访问上海宝凯电气/cm1塑壳式断路器,gw2,dw15万能式断路器厂家
服务热线:021-51619698
上一张 下一张
当前位置:首页>新闻资讯>技术应用

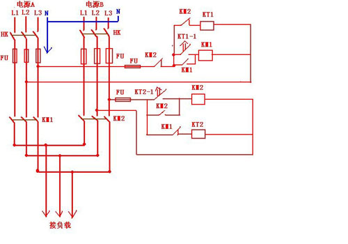
双电源转换开关接线图

发布时间:2018-09-17 浏览次数:3321

双电源转换开关接线图如下:

双电源自动转换开关的用途,简单来说就是一路常用一路备用,当常用电突然故障或停电时通过双电源切换开关,自动投入到备用电源上,(小负荷下备用电源也可由发电机供电,)使设备仍能正常运行。

常见的是电梯、消防、监控上,银行用的UPS不间断电源也是,不过他的备用是电池组。一些一类负荷和二类负荷的厂矿或单位大多都有!

扩展资料:

双电源自动转换开关是新一代产品可靠、寿命长、操作简单 是由两台三极或四极的塑壳断路器及其附件(辅助、报警触头)、 机械联锁传动机构、智能控制器等组成。

分为整体式与分体式两种结构。整体式是控制器和执行机构同装在一个底座上;分体式是控制器装在柜体面板上,执行机构装在底座上由用户安装在柜体内,控制器与执行机构用约2m长的电缆连接。

电源自动转换开关(以下简称转换开关) ,是由一个或几个转换开关电器和其它必需的电器组成,用于检测电源电路,并将一个或多个负载电路从一个电源自动转换到另一个电源的电器。可靠、自动化程度高、使用范围广的双电源自动转换开关。

新一篇:双电源开关接线方法
旧一篇:双电源自动切换开关工作原理
友情链接: 防爆箱 led防爆灯