欢迎,访问上海宝凯电气/cm1塑壳式断路器,gw2,dw15万能式断路器厂家
服务热线:021-51619698
上一张 下一张
当前位置:首页>产品总汇>万能断路器>DW17(ME)万能式断路器
 DW17(ME)万能式断路器

适用于交流50Hz、电压至660V、电流至3900A的配电网络,用来分配电能和保护线路及电源设备的过载、欠电压、短路等,在正常的条件下,可作为线路的不频繁转换之用,1250A以下的断路器在交流50Hz、电压380V的网络中可用作保护电动机的过载和短路。在,正常条件下还可作为电动机的不频繁起动之用。


断路器的正常工作条件
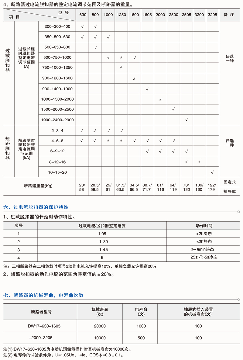
1、周围空气温度为- -5C~+40C,24h的平均值不超过+35C。

2、安装地点:海拔不超过2000m。
3、大气条件:大气相对湿度在周围空气温度+40C时不超过50%,在较低温度下可有较高的相对湿度;湿月的月平均大相对湿度为90%,同时该月的月平均高温度+25C,并考虑到因温度变化产生在产品表面上的凝露。

4、污染等级:应符合污染等级三级。
5、安装条件:断路器应按说明书成套安装或户内单独安装,与垂直面的倾斜度不超过5°。

注:

当断路器DW17-630/800/1000/1250型选用无过电流脱扣器时额定电流可分别提高到760/910/1200/1300A。
2、断路器的通断能力:
本系列断路器通断能力按IEC60947- 2国际标准及VDE0660规范的P- 2, 0 3min CO 3min CO要求,当电源为.上进线或下进线及短路短延时保护(延时为≤300ms)时,通断能力指标均相同,具体指标见下表。

注:

1、分励脱扣器的动作电压范围为额定工作电压的70%~ 110%
2、电动机操作机构和释能装置的动作电压为额定工作电压的85%~ 110%。
3、欠电压脱扣器在额定工作电压的85%~110%时应保证断路器可靠闭合,在额定工作电压35%~70%之间能使断路器分闸,低于35%额定电压时断路器不能合闸。

友情链接: 防爆箱 led防爆灯