欢迎,访问上海宝凯电气/cm1塑壳式断路器,gw2,dw15万能式断路器厂家
服务热线:021-51619698
上一张 下一张
当前位置:首页>产品总汇>高压负荷开关>FKN12-12R压气式负荷开关
 FKN12-12R压气式负荷开关

概述


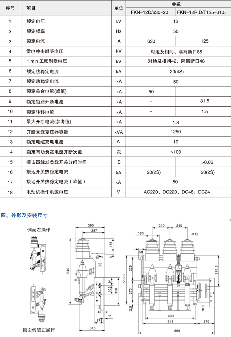
      FKN - 12D/630- 20型户内交流高压负荷开关(以下简称FKN- 12D负荷开关)是额定电压为12KV,额定

      频率为50HZ的三相高压开关设备,用于分合负荷电流,闭环电流,空载变压器和电缆充电电流,关合短路电流。

      配装接地开关的负荷开关,可以承受短路电流。

      FKN - 12R.D/125 - 31.5型户内交流高压负荷开关一一 熔断器组合电器 (以下简称FKN- 12R.D组合器)是

      FKN - 12D负荷开关开断与SOLAJ -12(XRNTO- 12 )高压限流式熔断器组合在一起的户内高压开关设备。它可以可靠开断直至短路电流的任何电流:负荷开关开断工作电流,熔断器开断短路电流,联合开断工作电流与全短

      路电流之间的任何过电流,同时熔断器通过其撞击器使负荷开关分闸。

二、使用环境条件
周围空气温度:.上限+40C,下限-25C;
海拔高度: 1000m及以下;
相对湿度:月平均值不大于90%,
日平均值不大于95% ;
周围空气应不受腐浊或可燃性气体及水蒸汽体等明显污染;
无经常性的剧烈运动,
耐污秽等级: 1级。
如使用条件超过上述规定,由用户与制造厂协商确定。

友情链接: 防爆箱 led防爆灯