欢迎,访问上海宝凯电气/cm1塑壳式断路器,gw2,dw15万能式断路器厂家
服务热线:021-51619698
上一张 下一张
当前位置:首页>产品总汇>高压负荷开关>FZ(R)N21A-12户内高压真空负荷开关
 FZ(R)N21A-12户内高压真空负荷开关

一、概述


该型高压真空负荷开关及组合电器,适用于三相交流10kV、50Hz的电力系统中,或与成套配电设备及环网开
关柜,组合式变电站等配套使用,

广泛用于城网建设改造工程、工矿企业、高层建筑和公共设施等,可作为环网供电或终端,起着电能的分配、控制和保护作用。该产品技术性能

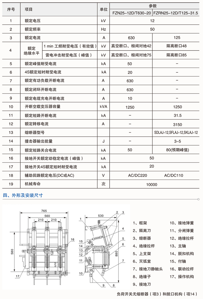
本产品具有开断能力大、安全可靠、电寿命长、可频繁操作、结构紧凑、体积小、重量轻、基本不需要维修等。具有开断额定电流、过载电流(FZN21 - 12DR/T125- 31 5)可开断短路电流和防止设备缺相运行能力,开

关有明显可见的隔离断口,配装具有关合能力的接地开关及电动弹簧机构,能够远动远控。

友情链接: 防爆箱 led防爆灯