欢迎,访问上海宝凯电气/cm1塑壳式断路器,gw2,dw15万能式断路器厂家
服务热线:021-51619698
上一张 下一张
当前位置:首页>产品总汇>高压负荷开关>FZ(R)N25-12户内高压真空负荷开关
 FZ(R)N25-12户内高压真空负荷开关

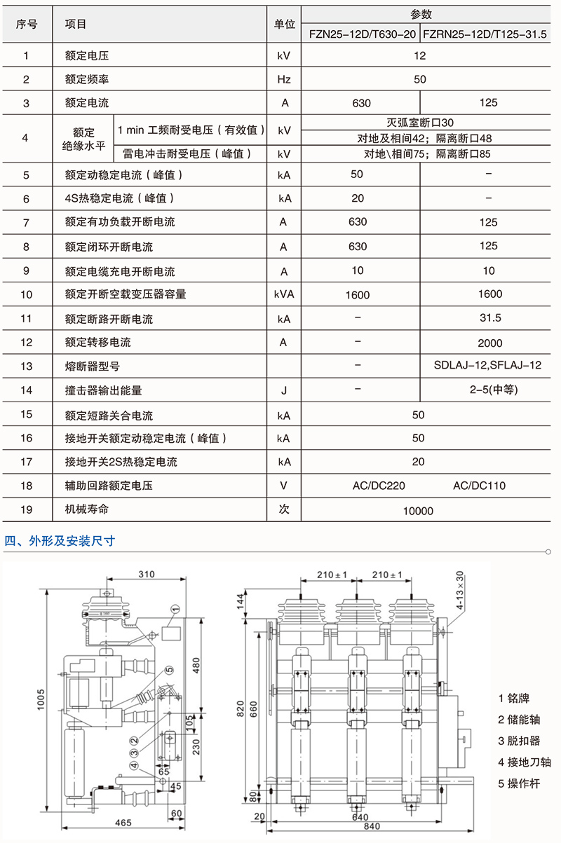
       FZN25 -12D/630 - 20型交流高压真空负荷开关是三相交流50Hz,额定电压12KV的户内装置,适用于工矿、企业、配电所及变电站等场合,作为电气设施的保护和控制,用于分合负荷电流、闭环电流、空载变压器和电缆充电电流。配有手动和电动机操作机构,便于实现电力系统的三遥控要求。
      FZRN25 - 12D/T200 - 31.5型交流高压真空负荷开关-熔断器组合电器是三相交流50Hz,额定电压12kV的户内装置,适用于工矿、企业、配电所及变电站等场合,作负荷控制和短路保护之用。配装的接地开关,可以承受短路电流。操动机构可手动和电动,便于实现电力系统的三遥控要求。
      FZN25- 12D、FZRN25 - 12D型负荷开关和组合电器适用于三相环网或终端供电的市区配电站和工业用电设备中,作负荷控制和短路保护用。由于组合电器对变压器等电器设备的保护作用比断路器更可靠,更经济,特别适用于环网、双辐射供电单元和箱式变电站。

友情链接: 防爆箱 led防爆灯