欢迎,访问上海宝凯电气/cm1塑壳式断路器,gw2,dw15万能式断路器厂家
服务热线:021-51619698
上一张 下一张
当前位置:首页>产品总汇>隔离开关/刀开关>HD/HS开启式刀开关
 HD/HS开启式刀开关

一、HD/HS开启式刀开关简介

HD系列单投刀开关、HS系列双投刀开关适用于交流50Hz、额定电压400V、直流220V,额定电流至1500A的成套配电装置中,用作手动不频繁接通与分断交直流电路或用作电气隔离之用。

HD(S)11系列中央手柄式刀开关主要用于动力站,不切断带有电流的电路,作为电气隔离之用。

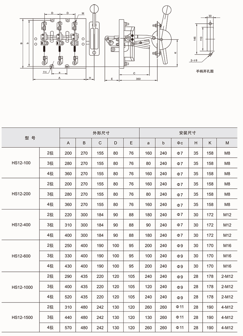
HD(S)12系列侧方正面杠杆操作机构式刀开关主要用于正面操作、前面维修的开关柜中,操作机构可以在柜的两侧安装。

HD(S)13系列中央正面杠杆操作机构式刀开关主要用于正面操作、后面维修的开关柜中,操作机构装在正前方。

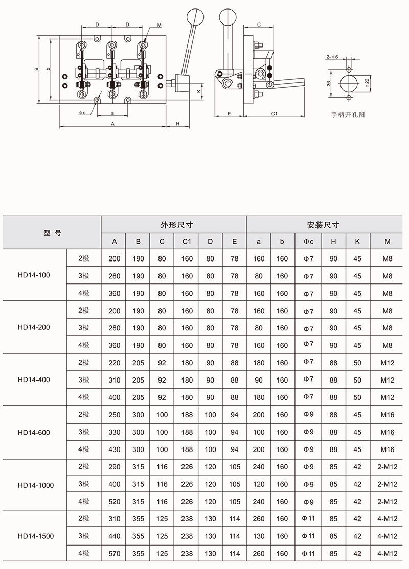
HD(S)14系列侧面操作手柄式刀开关,主要用于动力箱中。

装有灭弧室的刀开关可以切断电流负荷,其它系列刀开关只作电气隔离之用。

二、型号及含义



三、主要技术参数
3.1额定电压为交流400V、直流220V。

3.2额定电流为100、200、400、600、1000、1500A 3.3主要技术性能参数(见表1)

友情链接: 防爆箱 led防爆灯