欢迎,访问上海宝凯电气/cm1塑壳式断路器,gw2,dw15万能式断路器厂家
服务热线:021-51619698
上一张 下一张
当前位置:首页>产品总汇>隔离开关/刀开关>HGL负荷隔离开关
 HGL负荷隔离开关

一、开关简介

HGL系列负荷隔离开关适用于交流50Hz、额定电压至660V、直流电压至440V、约定发热电流至3200A的工企业配电设备中,用作不频繁接通与分断电路及电气隔离之用,广泛应用于建筑、电力、石油化工及其他行业的配电系统和自动化系统中。

HGLC侧面操作负荷隔离开关,在HGL负荷隔离开关的基础.上增加了一个侧面操作机构,适用于侧面操作的接通与分断电路及电气隔离之用。

HGLZ转换负荷隔离开关,由两台HGL负荷隔离开关.上下叠装或左右并装而组成,适用于双路电源的切换或两台负载设备的转换及隔离等。





二、型号及含义

结构特征

开关采用模块化设计,适用于接通与分断电路或电气隔离之用,1000A以上只用作电气隔离。

开关采用弹簧蓄能、瞬时释放的加速关合机构及同时接通与断开并联双断点的触头结构,提高了产品的电气性能与机械性能。

开关采用玻璃纤维增强不饱和聚脂模塑料及手动操作手柄,具有很高的介电性能、防护能力及可靠的操作性。开关具有3极、4极(3极+可通断中性极)。

开关正面设有标记窗口,指示触头的通断状态,可根据需要提供后面观察窗口,直接观察触头的通断状态,保证开关操作的可靠性和安全性。

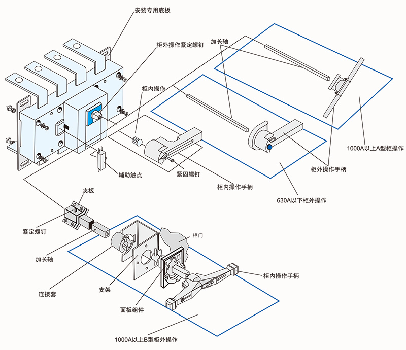
手柄可直接装在开关.上操作(简称柜内操作),也可通过加长轴在配电柜门外操作(简称柜外操作),提供操作方便。

可根据需要提供常开常闭辅助触头及安装专用底板与板前板后接线方式,以满足客户的多种需求。在分断位置“O”时,可用两至三把锁锁住手柄,以防止误操作。

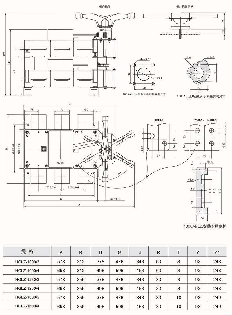
四、柜后操作负荷隔离开关

125A- 630A适用于电路的接通与分断或电气隔离,1000A以上只适用于电气隔离。

125A- 630A有三极、四极(三极+可通断中性极)。

630A以下可根据需要提供有观察窗口的产品,直接观察触头的通断状态。

可根据需要配装两组辅助触点。

电气性能与机械性能和HGL-125A~ 1600A电气性能与机械性能相对应。

注:仅提供柜外操作产品。

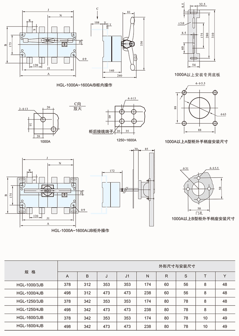
五、板后接线负荷隔离开关
125A-630A适用于电路的接通与分断或电气隔离,

1000A以上只适用于电气隔离

125A-630A有三极、四极(三极+可通断中性极)。
630A以下可根据需要提供有观察窗口的产品,直接观察触头的状态。

可根据需要配装两组辅助触点。
电气性能与机械性能和HGL-125~1600A电气性能与机械性能相对应。

六、侧面操作负荷隔离开关

HGLC-125 ~ 1600A适用于电路的接通与分断或电气隔离。有三极、四极(三极+可通断中性极)可根据需要提供有观察窗口的产品,直接观察触头的通断状态。

柜内操作;手柄直接安装在开关右侧。柜外操作:手柄安装在配电柜柜门外。根据需要可配装两组辅助触点。加长轴用于柜外操作。

电气性能与机械性能和HGL-125~1600A电气性能与机械性能相对应。

七、转换负荷隔离开关

HGLZ-125~1600A适用于两条低压电路切换或者两个负载设备的转换或安全隔离等。柜内操作:手柄直接安装在开关上。柜外操作:手柄安装在配电柜柜门外。

可根据需要提供有观察窗口的产品,直接观察触头通断状态。有三极、四极(三极+可通断中性极)。加长轴用于柜外操作

根据需要可配装两组辅助触点。电气性能与机械性能和HGL-125~1600A电气性能与机械性能相对应。可提供桥式连接导体接通开关的进线端或出线端。

注: 1000A以上开关分为. 上下和左右排列两种形式,订货时说明。

友情链接: 防爆箱 led防爆灯