欢迎,访问上海宝凯电气/cm1塑壳式断路器,gw2,dw15万能式断路器厂家
服务热线:021-51619698
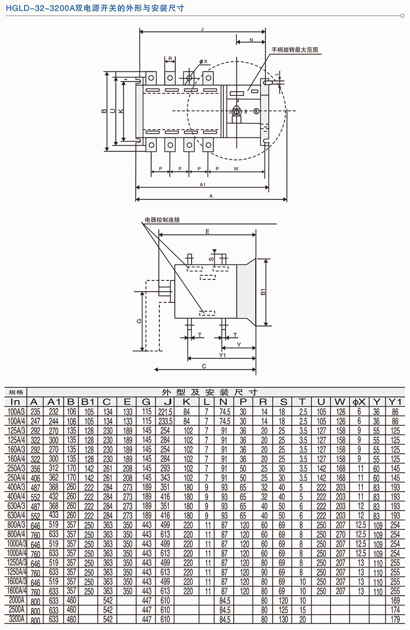
上一张 下一张
当前位置:首页>产品总汇>双电源自动转换开关>HGLD双电源自动转换开关
 HGLD双电源自动转换开关

一、HGLD系列双电源自动转换开关(ATSE)简介

HGLD系列双电源自动转换开关(ATSE),机电一体化的自动转换开关,它适用于额定绝缘电压至1000V、额定频率50HZ、额定电压至400V、约定发热电流至3200A的工矿企业配电设备中;用作供电系统的主用电源与备用电源的自动转换或两台负载设备的自动转换及安全隔离等;

广泛用于医院、商场、银行、高层建筑、煤矿、电信、铁矿、高速公路、机场、工业流水线及军事设施等不允许电源断电的重要场合。

开关由控制线路板发出各种逻辑命令管理电机,由电机转动经齿轮箱减速后带动弹簧蓄能、瞬时释放的操作机构,从而快速地接通与分断电路或进行电路转换,通过明显可见状态实现安全隔离。

开关可实现全自动、强制“O”、远程控制、紧急手动等操作;  并具有缺相检测保护、电气机械互锁,带发电机(油机)等功能。体积小。


二、 型号及含义

三、开关控制类型

|型:全自动

l|型:全自动、强制“0”、远程控制

l型:缺相检测保护、全自动、强制“O”、远程控制、带发电机

四、开关功能

1.全自动:即自投自复,当常用电源断电(或断相)时,开关自动转换至备用电源:而当常用电源恢复正常后,开

关自动返回转换至常用电源。

2.强制“O”:紧急情况或设备检修时,启动强置“0”自锁按钮,开关自动转换至“0” 档切断双路电源。

3.远程控制(远控):即远距离操作控制,启动“|”档按钮,则常用电源投入工作;启动“I”档按钮,则备

用电源投入工作。

4.带发电机(油机):当市电电源断电(或断相)时,则发出油机启动的信号,使油机自动启动,等发电正常后,开

关便自动转换至发电电源,而当市电电源恢复正常后,开关又自动返回转换至市电电源,  同时发出油机关闭的信号,使油机自动关闭。

5.缺相检测保护:检测与保护常(备)用电源任意相的断电。

开关符合: GB/T14048.11;额定工作电压(Ue): AC400V;额定接通能力(ARms): 10le;额定分断能力(ARms): 8le;

友情链接: 防爆箱 led防爆灯