欢迎,访问上海宝凯电气/cm1塑壳式断路器,gw2,dw15万能式断路器厂家
服务热线:021-51619698
上一张 下一张
当前位置:首页>产品总汇>小型断路器>ZHG47LE-63漏电断路器
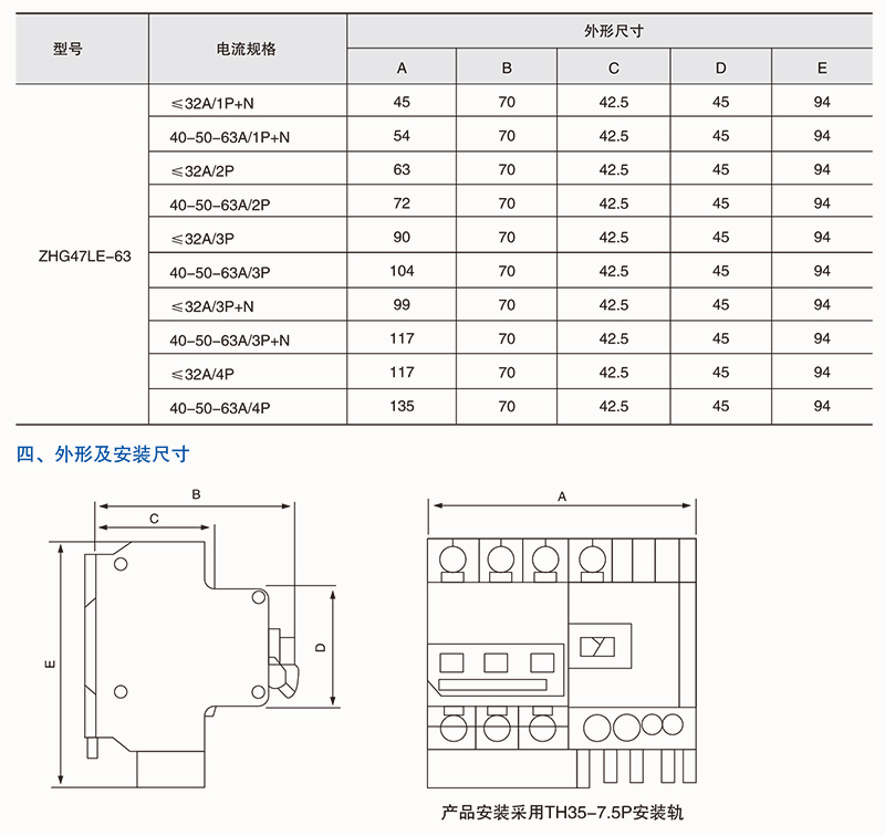
 ZHG47LE-63漏电断路器

一、适用范围

ZHG47LE-63塑料外壳式漏电断路器用于交流50/60Hz,额定电压为单相230V,二相、三相400V,额定电流至63A以下的线路中,作漏电保护之用。

当有人触电或电路漏电电流超过规定值时,漏电断路器能在0.1s内自动切断电流,保障人身安全和防止设备因发生泄漏电流造成的事故。

漏电断路器同时具有过载短路保护功能,可用来保护电路的过载和短路,亦可在正常情况下作为线路的不频繁转换之用。额定剩余动作电流为0.03A的断路器可对人身触电提供直接保护。
(本产 品符合标准: GB16917.1)

二、型号含义

友情链接: 防爆箱 led防爆灯