欢迎,访问上海宝凯电气/cm1塑壳式断路器,gw2,dw15万能式断路器厂家
服务热线:021-51619698
上一张 下一张
当前位置:首页>产品总汇>万能断路器>ZHGW2-1000智能型万能式断路器
 ZHGW2-1000智能型万能式断路器

ZHGW2智能型万能式断路器

ZHGW2-1000智能型万能式断路器( 以下简称断路器)主要适用于交流50Hz,额定工作电压400V,额定电流200A至1000A的配电网络中,用于分配电能和保护线路等电源设备,使之免受过载、欠电压短路、接地等故障的危害。在正常条件下也可作为线路的不频繁转换之用。该断路器具有选择性保护功能,,可避免不必要的停电,能提高供电的可靠性。

正常使用条件
周围空气温度上限不超过+40C,下限不低于-5C, 24h的平均值不超过+35C;
注1:在使用空间温度高于+40C或低于-5C的条件下使用的断路器应与制造厂协商。b.安装地点的海拔不超过2000m。
C.大气的相对湿度在使用空间高温度+40C时不超过50%,在较低的温度下可以有较高的相对湿度(例如20C时为90%),并考虑到因温度变化发生在产品表面上的凝露。
正常安装条件
a.安装位置应垂直,各方向的倾斜度不超过5C ;
b.污染等级: 3级;
c.安装类别:断路器安装类别为IV级,辅助电路的安装类别除欠电压脱扣器线圈、智能控制器中用的变压器一次侧线圈与断路器的相同外,其余安装类别为ll级。
正常贮存和运输条件
a.温度下限不低于- 25C,上限不超过+55C;b.相对显度(25 C时)不超过95%。

分类

a.按极数分:三极、四级。
b.按安装方式分:固定式、抽屉式。
c.按使用类别分: A类(非选择型)、B类(选择型)。
d.按操作方式分:电动机储能操作、手动储能操作(检修、维护用)。
e.按脱扣器种类分:智能型控制器、欠电压(瞬时或延时)脱扣器、分励脱扣器。f.智能型控制器分类:1、M型(普通型)
2、H型(通讯型,LCD液晶显示)

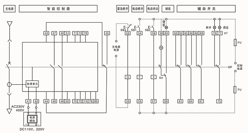
41#、42#:智能控制器辅助电源输入端。
当辅助电源为直流时,需加外置电源模块。此时41#与42#必须从电源模块的输出端接入(DC24V),41#为正极,42#为负极(严禁再接入交流电源)。
43#、44#、45#:脱扣器故障跳闸指示用信号触点,44#为公共端。
46#、47#:外接互感器输入(无外接互感器时为一组常开辅助触点,容量AC380V/1A)。48#、49#:常开触点(容量AC380V/1A)。DF:断路器辅助开关。
SB1:分闸按钮(用户自备)。SB2:合闸按钮(用户自备)。
SB3:欠压按钮(不需要时可短接)。Q:欠电压(瞬时或延时)脱扣器。F:分励脱扣器。X:释能电磁铁。M:储能电动机。
SA:电动机行程开关。XT:接线端子。
:信号灯(用户自备)。FU:熔断器。
58;可直接接电源(自动预储能),也可串接常开按钮后接电源(手动预储能)。Q、F、X:额定电压不同应分别接不同电源(虚线部分由用户自接)。

接线图中符号含义的说明:


----用户接线  一制造厂接线


Sb1分励按钮(用户自备)

Sb2合闸按钮(用户自备)

Sb3欠压按钮(用户自备)

x释能电磁铁FU熔断器  F分励脱扣器
DF辅助开关  SA电动机行程开关。
M储能电机  Q欠压瞬时(或延时)脱扣器8信号灯(用户自备)  XT新路器接线端子扳
41、42控制器工作电源,(控制器电源为直流时,输入为DC24V,用户可选用直流电源模块)43、44断路器状态检测端(带MCR功能时用)45过载预报警信号输出46自诊断报警信号输出47故障跳闸报警信号输出
48接地不脱扣只报警信号输出49四组触点输出公共端
50、51外接互感器输入端子
58可直接接电源(自动预储能),也可串接常开按钮后接电源(手动预储能)。注1: Q、F、X等的额定电压不同应分别接不同电源。
注2:如果用户特殊订货时,辅助开关多可达到六组转换,则将45- 49号端子输出为辅助开关触点,

接线见图中的虚线部分,此时控制器无外接互感器及增选功能。


友情链接: 防爆箱 led防爆灯